随着汽车电子技术的发展,汽车电路图变得越来越复杂,也越来越重要,因此如何快速而准确地识读汽车电路图是许多汽车维修人员常常感到头疼的事情本文介绍了识读汽车电路图的若干技巧,下面我们就来聊聊关于汽车电路图识读的注意事项?接下来我们就一起去了解一下吧!

汽车电路图识读的注意事项
随着汽车电子技术的发展,汽车电路图变得越来越复杂,也越来越重要,因此如何快速而准确地识读汽车电路图是许多汽车维修人员常常感到头疼的事情。
本文介绍了识读汽车电路图的若干技巧。
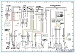
1 纵观“全局”,眼盯“局部”
首先应认真地读几遍图注,对照线路图查看电器在车上的大概位置及数量,电器的用途,有没有新颖独特的电器,如有应加倍注意。
全车电路一般都是由各个局部电路所构成,它表达了各个局部电路之间的连接和控制关系。
要把局部电路从全车总图中分割出来,就必须掌握各个单元电路的基本情况和接线规律。
弄清楚局部电路工作原理后,再来分析各局部电路中的联系,特别是与电源电路的联系,进而弄清楚整车电路的工作原理。
2 熟悉电路标记符号
对照图注和图形符号,熟悉有关元器件名称及其在图中的位置、数量和接线情况。
为了便于绘制和识读汽车电器电路图,有些电器装置的接线柱都赋予不同的标志代号。
接至电源端接线柱用B表示,接至点火开关的接线柱用SW表示,接至起动机的接线柱用S表示,接至各种灯具的接线柱用L表示,发电机中性点接线柱用N表示,励磁电压输出端接线柱用D 表示,发电机电枢输出端接线柱用B 表示等等。
3 牢记回路原则
任何一个电路都应是一个完整的电气回路,其中包括电源、开关(或熔断器)、电器(或电子线路)、导线和连接器等,并从电源正极经导线、开关(或熔断器)至用电器后搭铁,再回到同一电源的负极。
这样的电路才是正确的,否则,就是读错了或查错了。
这个原则是无论在读什么电路图时都要用到的,在读汽车电路时却往往被忽略,理不出头绪来。
具体方法:可以沿着电路电流的流向,通常由电源正极出发,顺藤摸瓜查到用电设备、开关等,回到电源负极。
也可逆着电路电流的方向,电源负极(搭铁)开始,经过用设备、开关等回到电源正极。
尤其是查寻一些不太熟悉的电路,后者比前者更为方便。
4 掌握开关在电路中的作用
开关是控制电路通断的关键,特别注意继电器不但是控制开关也是被控制对象。
对多层多档多接线柱的开关要按层、按档位、按接线柱逐级分析其各层各档的功能。
有的用电设备受2个以上单档开关(或继电器)的控制,有的受2个以上多档开关的控制,其工作状态比较复杂,如间歇刮水器电路。
当开关接线柱较多时,首先抓住从电源来的一两个接线柱,再逐个分析与其他各接线柱相连的用电设备处于何种档位,从而找出控制关系。
对于组合开关,在线路图中是画在一起的,而在电路图中又按其功能画在各自的局部电路中,遇到这种情况必须仔细研究识读。
5 注意电路中开关或继电器的状态
大多数电器或电子设备都是通过开关(包括电子开关)或继电器的不同状态而形成回路或改变回路实现不同的功能的。
例如燃油泵的回路必须在燃油泵继电器触点闭合时才能形成,而燃油泵继电器触点闭合的条件是继电器线圈得电导通。
同理,从其电路图可以看出,燃油泵继电器线圈必须在电控单元中起开关作用的三极管导通时才能通过电控单元中的接地点形成回路。
对于采用多档点火开关或组合开关的电路,还应注意蓄电池(或发电机)电流是通过什么途径到达这个开关的,中间是否经过其他开关或熔断器,火线接在开关的哪个接线柱上;
多挡开关共有几个挡位,开关内部有几个同时或分别动作的触刀,在每一档位各接通或关断哪些电器;
组合开关由哪些开关或按钮组合而成,各通过哪些触点接通电路或改变回路等等。
6 掌握电器装置在电路图中的布置
在电器系统中,有大量电器装置是机电合一的,如各种继电器,还有多层多档组合开关。
这些电器装置在电路图上表示时,应做到使画法既简单(便于画图),又便于识图,可采用集中表示法或分开表示法。
集中表示法是把一个电器装置的各组成部分,在图上集中(即靠近)绘制的一种表示方法,集中表示法仅适用于较简单的电路。
随着汽车电路日趋复杂,一个电器装置有较多的组成部分(如组合开关、继电器的线圈、触点),若集中画在一起,则易引起线条往返和交叉线过多,造成识图困难。
这时宜采取分开表示法,即把继电器的线圈、触点分别画在不同的电路中,用同一个文字符号或数字符号将分开部分联系起来。
7 掌握各局部电路之间的内在联系
汽车全车电路基本上由电源电路、充电电路、点火电路、启动电路和辅助电器设备电路等局部电路组成。
从整车电路来讲,各局部电路除电源电路公用外,其他部分都是独立的,但它们之间存在着内在联系和相互影响。
因此,不但要熟悉各局部电路的组成、特点、动作过程和电流流经的路径。
而且还要了解各局部电路之间的联系和相互影响。
这是掌握汽车电路的一个重要环节,也是实现准确判断和迅速找出故障部位,排除故障的必要条件。
8 熟悉线束色标的规律
一般情况下,在基本电路里车上电线用什么颜色,图上就印什么颜色。
电线的颜色是有一定规律的,红色线大多为控制火线,棕色都为接地线,白、黄色线用于控制灯,篮色线大多用于指示灯或传感器,全绿,红、黑或绿、黑多用于脉冲式的用电器。
另外,通常火线代号是30,接地线的代号是3l,受控制的大容量用电设备供电线的代号是X,受控制的小容量用电设备供电线的代号是l5。
这些在线路图里或电器零件上到处可见的颜色和数字,一旦被读者掌握了,在使用与维修中,就会提高工作效率。
9 通过解剖典型电路,达到触类旁通
许多车型的许多局部电路都是相同或相近的,因此,剖析几个典型电路,掌握其接线特点和原则,就能了解许多其他车型的电路,达到触类旁通的目的。
重点在于: 1. 优化增值税申报表结构,对部分申报栏次进行合并、调整,减少复填报。
明确不同业务类型应填报的数据范围,提升数据口径一致性。
2. 明确电子申报要求,强调使用电子税务局进行申报,提高线上办理比例。
对电子申报中的数据接口、上传要求作出统一规定。
3. 规范特殊业务的申报处理,对跨区域经营、简易计税、免税项目等申报口径重新明确。
要求纳税人按业务属性如实归类申报,避免漏报或错报。
4.通过本次申报制度调整,进一步推动纳税申报规范化、数字化,减轻企业负担。
https://fgk.chinatax.gov.cn/zcfgk/c100012/c5247507/content.html 二【财关税〔2026〕6号】财政部 海关总署 税务总局关于海南自由贸易港岛内居民消费的进境商品“零关税”政策的通知 政策围绕海南自由贸易港“岛内居民消费”相关进口商品的“零关税”实施规则展开,旨在鼓励消费回流,促进海南自贸港建设。
1. 明确“零关税”商品范围:主要包括供岛内居民自用或消费的部分进境商品。
列明享受优惠的品类及对应的监管方式。
2. 规范享受“零关税”政策需要满足:居民需具备合法身份并在岛内消费使用;
企业需按规定备案、申报并接受海关监管。
3. 明确监管与风险防控要求建立商品流向监测机制,防止“零关税”商品进入内地市场。
对违规流通、倒卖、转让等行为实施处罚。
4.支持海南构建“免税+低税+便利”体系。
推动消费升级与产业聚集,为自贸港整体税制改革奠定基础。
https://www.gov.cn/zhengce/zhengceku/202507/content_7033408.htm 三【财政部 税务总局公告2026年第11号】工业和信息化部关于印发《技术合同认定登记管理办法》的通知 2026年2月09日工业和信息化部发布的《工业和信息化部关于印发《技术合同认定登记管理办法》的通知主要规范了技术合同的认定与登记流程,为企业享受相关税收优惠与科技政策提供依据。
1. 明确技术合同认定范围与标准,包括技术开发、技术转让、技术咨询、技术服务等合同类型,对合同内容、技术成果、权利义务等提出明确要求。
2. 规范认定与登记流程,明确申请材料、审核程序与登记要求。
强调线上申报与信息化管理,提高透明度与效率。
3. 加强部门协同与数据共享,推动工信、科技、财政、税务等部门在认定方面的信息互通,便于纳税人获得税收减免或优惠政策。
4.支持技术创新与成果转化,通过规范的认定制度,提高科技合同质量,促进技术交易和创新生态发展。
https://www.miit.gov.cn/jgsj/kjs/wjfb/art/2026/art_ccf28613115d4960810b3b68253b0a25.html 四【财政部 税务总局公告2026年第13号财政部】税务总局关于增值税进项税额抵扣等有关事项的公告 财政部、税务总局1月30日发布关于增值税进项税额抵扣等有关事项的公告,自2026年1月1日起施行。
此前规定与本公告规定不一致的,以本公告为准。
一.关于增值税进项税额抵扣,从销项税额中抵扣的进项税额规定如下: 1. 一般纳税人购进机动车取得机动车销售统一发票的,为发票上列明的增值税税额 2. 一般纳税人购进国内旅客运输服务,除取得增值税专用发票外,取得电子发票(铁路电子客票)、电子发票(航空运输电子客票行程单)的,为发票上列明或包含的增值税税额;
取得列明旅客身份信息的公路、水路等其他客票的,可抵扣进项税额=票面金额÷(1+3%)3% 3. 一般纳税人购进道路、桥、闸通行服务,除取得增值税专用发票外,取得收费公路通行费增值税电子普通发票、带有“通行费”字样的电子发票(普通发票)的,为发票上列明的增值税税额;
取得桥、闸通行费发票的,桥、闸通行费可抵扣进项税额=桥、闸通行费发票上列明的金额÷(1+5%)5% 。
4. 一般纳税人购进货物(不含固定资产)、服务,用于简易计税方法计税项目、免征增值税项目和不得抵扣非应税交易而无法划分不得抵扣的进项税额的,明确了当期不得抵扣的进项税额的计算方法。
5. 一般纳税人凭完税凭证抵扣进项税额的,应当具备书面合同、付款证明和境外单位的对账单或者发票。
纳税人未按规定提供上述资料的,不得抵扣。
二.关于资产重组,明确不属于不得抵扣非应税交易的情形,明确因实施上述资产重组被合并,注销税务登记前尚未抵扣的进项税额,由合并后的纳税人继续抵扣。
三.关于一项应税交易涉及两个以上税率,明确了按照应税交易的主要业务适用税率的情形。
https://fgk.chinatax.gov.cn/zcfgk/c102416/c5247494/content.html
其中最让人着迷又无从求证的,便是 “时空折叠” 传闻 —— 有人误入山中秘境,不过片刻功夫,竟已跨越千里之地;
有人明明只走了数里,回头却已不见来路,仿佛空间被无形之力扭曲折叠。
这些故事口口相传,有细节、有场景,却始终拿不出实证,成了萦绕在昆仑山间,最玄奇的未解之谜。
误入秘境,须臾千里最早关于昆仑时空折叠的口述,多来自当地牧民与早年探险者。
上世纪七八十年代,常有牧民进山寻走失的牛羊,走着走着便闯入一片白雾弥漫的谷地,指南针疯狂乱转,无线电彻底失联,眼前的景物明明熟悉,却又透着说不出的违和。
最广为流传的一则,是 1983 年昆仑死亡谷附近的传闻。
一位哈萨克族牧民追着羊群进入谷中,不过半个时辰,等白雾散去,他竟发现自己站在千里之外的阿尔金山边缘,脚下的地貌、身边的植被完全陌生,而羊群只剩寥寥几只,惊恐地缩在一旁。
牧民吓得魂飞魄散,凭着记忆往回走,足足花了半个月才回到家乡,可在家人眼里,他只失踪了半天,身上的衣物、携带的干粮,都没有丝毫损耗,仿佛时间在那片谷地里,彻底静止了。
类似的故事不止一桩。
1998 年,一支民间探险队深入昆仑腹地,其中两名队员与队伍走散,在一片怪石嶙峋的山谷里转了不到一小时,再见到队友时,对方竟说已找了他们整整三天。
更离奇的是,两名队员的手表、手机,时间都只过去了几十分钟,与外界时间完全对不上,仿佛他们踏入了另一个时间流速的空间,短短一瞬,便跨越了时空的距离。
天地褶皱,空间异象昆仑的时空折叠传闻,从来不是孤立的 “瞬移” 故事,更多是空间扭曲、时空错乱的细碎异象,拼凑出这片区域的神秘。
有人说,在昆仑某些垭口与山谷,会出现 “海市蜃楼” 般的奇景,却不是虚幻的光影,而是真实的场景重叠 —— 明明眼前是雪山峡谷,却隐约能看到江南水乡的街巷、古代城池的轮廓,甚至能听到不属于这个时代的人声马嘶,短短几分钟后便消散无踪。
2015 年曾有自驾游客拍到过类似画面,云雾中浮现出唐代风格的建筑,匾额上的字迹清晰可辨,却没有任何实证能证明这不是光影错觉。
还有人经历过更诡异的 “空间错位”。
在山间行走时,明明是笔直的道路,走了许久却发现回到了原点;
明明前方是开阔地,迈步却撞在无形的屏障上;
更有甚者,转身的瞬间,身后的山路便消失不见,取而代之的是陌生的山谷,仿佛空间被随意折叠、拼接,没有固定的章法。
这些传闻里,最一致的特征,便是强磁场干扰。
所有经历过时空异常的人,都提到指南针失灵、电子设备黑屏、信号完全中断,山谷里的磁场强度远超正常值,仿佛有某种未知力量,在扰乱着空间与时间的秩序。
万山之祖,古老秘闻昆仑的时空传说,并非现代才有,早在古籍与民间传说里,便早有伏笔。
《山海经》里写昆仑 “帝之下都”,是天地连通的枢纽,有 “不周山”“天门” 之说,古人相信这里是天地缝隙,能穿梭三界。
藏族、蒙古族等当地民族的传说里,昆仑山是 “神山”,山中藏着 “时空之门”,只有被山神选中的人,才能短暂踏入,跨越千里而不自知,若是惊扰了神山,便会永远迷失在折叠的空间里。
老人们常说,昆仑不是普通的山脉,是大地的脊梁、时空的褶皱,这里地壳运动剧烈,暗河纵横,磁场异常,或许在亿万年间,形成了天然的 “时空节点”。
就像一张纸被对折,两点之间的距离便被无限缩短,昆仑的某些地方,或许就是空间被折叠的褶皱,误入其中,便会在不知不觉间,跨越常人难以企及的距离。
无实证的谜,流传的奇时至今日,昆仑时空折叠的传闻,依旧是没有实证的谜。
没有清晰的影像记录,没有权威的科考证实,所有故事都来自口述,口口相传间难免添油加醋。
有人说这是集体幻觉,是高海拔缺氧、强磁场干扰导致的感知错乱;
有人说这是特殊地质地貌引发的视觉误差,把远处的景物当成了近处,把漫长的路程当成了一瞬;
也有人说,是致幻植物、有毒气体影响了人的神经,让人产生了时空错位的错觉。
可即便如此,这些传闻依旧在民间流传不息。
毕竟昆仑太大、太神秘,平均海拔超 5500 米,冰川、峡谷、无人区纵横,无数地方至今人迹罕至,现代科考也难以覆盖每一寸土地。
那些短暂的时空异象,或许发生在人迹罕至的山谷,或许转瞬即逝,根本来不及留下证据。
有人信其有,觉得昆仑藏着地球最原始的时空秘密;
有人信其无,只当是高原奇景催生的浪漫想象。
但无论真假,这些 “须臾千里、空间折叠” 的传闻,早已成了昆仑神秘的一部分,让这座万山之祖,永远裹着一层让人着迷的面纱 ——有些秘境,本就适合藏着无实证的谜,有些传说,本就为了留住对天地未知的敬畏。